Wyłącznik różnicowoprądowy, zwany też wyłącznikiem przeciwporażeniowym lub różnicówką, to dodatkowe rozwiązanie, zabezpieczające użytkowników urządzeń elektrycznych przed porażeniem prądem w wyniku bezpośredniego lub pośredniego kontaktu z obwodem elektrycznym w instalacjach niskiego napięcia. Jego wykorzystanie pozwala również zminimalizować skutki uszkodzenia podłączonych do sieci urządzeń, w tym ryzyko pożaru. Urządzenia tego typu znajdziemy zarówno w skrzynkach bezpiecznikowych, rozdzielniach elektrycznych, jak i w systemach sterowania maszynami przemysłowymi.
Jak działa różnicówka?
Sposób działania wyłączników różnicowoprądowych opiera się na zasadzie zachowania ładunku elektrycznego oraz pierwszym prawie Kirchhoffa, mówiącym o tym, że „suma natężeń prądów wpływających do węzła jest równa sumie natężeń prądów wypływających z tego węzła”. Zadaniem różnicówki jest wykrycie czy ilość prądu, jaka wpłynęła do obwodu jest równa sumie wektorowej prądów, która powróciła do sieci. Jeżeli tak nie jest dochodzi do automatycznego rozłączenia obwodu i odcięcia zasilania od podpiętych urządzeń.
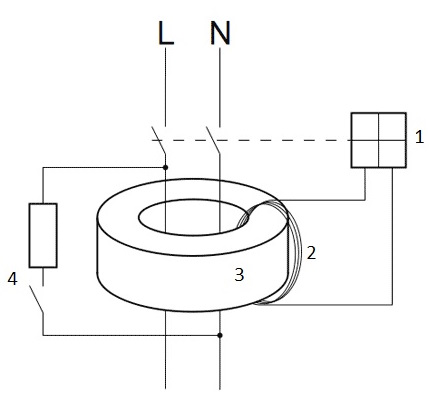
Każdy wyłącznik różnicowoprądowy zbudowany jest z trzech podstawowych podzespołów: przekładnika prądowego sumującego (przekładnik Ferrantiego), przekaźnika wyzwalającego oraz mechanizmu przełączającego. Taka kombinacja pozwala na wykrywanie i ocenę prądu różnicowego oraz automatyczne przerwanie zasilania w przypadku, gdy prąd różnicowy przekracza określoną wartość. Prawidłowe działanie różnicówki wymaga by wszystkie niezbędne do działania urządzenia elektrycznego przewody przechodziły przez przekładnik prądowy.

- zestyki torów prądowych z dźwignią załączającą urządzenie,
- wyzwalacz, którym jest najczęściej przekaźnik spolaryzowany
- przekładnik Ferrantiego przez który przeprowadzone są przewody fazowe i przewód neutralny
- obwód testowania umożliwiający sprawdzenie wyłącznika
Wyłącznik różnicowoprądowy porównuje prądy płynące w przewodach zasilających, które przechodzą przez jego przekładnik prądowy – w normalnych warunkach ich sumaryczne, całkowite lub chwilowe wartości są równe zeru. Wewnątrz rdzenia przekładnika sumującego indukowany jest strumień magnetyczny z przewodów czynnych, których wektorowa suma wartości chwilowych wynosi zero. W przypadku awarii (np. przebicia izolacji) pewna część prądu zaczyna płynąć na zewnątrz przewodów pod napięciem, co przekłada się na brak zbilansowania wartości prądów. Tym samym dochodzi do wzbudzenia odpowiedniego strumienia magnetycznego wewnątrz rdzenia przekładnika. Jego uzwojenie wyjściowe generuje prąd aktywujący przekaźnik wyzwalający zadziałanie styków (wyłączników). Dodatkowo, każda różnicówka wyposażona jest w dostępny dla użytkownika przycisk testowy, umożliwiający kontrolę poprawności działania wyłącznika. Jego działanie polega na wymuszeniu przepływu prądu różnicowego poprzez włączenie w obwód rezystora.
Rodzaje wyłączników różnicowoprądowych
Głównym kryterium podziału wyłączników różnicowoprądowych jest ich czułość na ubytek prądu - niezbędny do zadziałania wyłącznika i awaryjnego odcięcia zasilania podłączonego urządzenia. W tym kontekście wyróżnić można różnicówki:
- wysokoczułe - uruchamiają się przy prądzie zadziałania nie większym niż 30 mA, najczęściej stosowane w instalacjach domowych;
- średnioczułe - prąd zadziałania wynosi od 30 do 500 mA;
- niskoczułe minimalny prąd zadziałania >500 mA.
Wybór odpowiedniego urządzenia zależy od charakteru odbiorników w instalacji. Dodatkowo, poszczególne różnicówki mogą wykrywać różne typy prądów upływowych:
- typ AC - podstawowy model, który wykrywa tylko upływy sinusoidalne zmienne. Jest coraz rzadziej stosowany ze względu na dużą ilość elektroniki w domach, która może "oślepić" ten typ wyłącznika.
- typ A - znacznie bardziej uniwersalny; wyłącza się w upływach prądu sinusoidalnie przemiennego oraz ze składową pulsującą stałą (np. zasilacze impulsowe, proste falowniki). Jest to obecnie standard w nowoczesnych instalacjach mieszkaniowych.
- Typ F (Hpi) - zaawansowany model, który wykrywa prądy różnicowe sinusoidalne przemienne oraz pulsujące stałe, a dodatkowo jest odporny na zakłócenia o wysokiej częstotliwości. Idealny do obwodów z jednofazowymi falownikami, np. w nowoczesnych pralkach czy pompach ciepła.
- Typ B - najbardziej uniwersalny, wykrywa również upływu prądów wyprostowanych (czysty prąd stały). Jest niezbędny w instalacjach fotowoltaicznych (strona AC), przy ładowarkach samochodów elektrycznych (EV) oraz w zaawansowanych układach automatyki przemysłowej.
Wyłączniki różnicowoprądowe mogą być wyposażone w dodatkowy moduł wyłącznika nadmiarowo prądowego. Oznacza się je wtedy skrótem RCBO, dla odróżnienia od modeli RCCB, które go nie posiadają.
Jak podłączyć wyłącznik różnicowoprądowy?
Podłączenie róznicówki nie jest zadaniem skomplikowanym, warto jednak pamiętać o kilku zasadach. Wyłącznik tego typu nie zabezpiecza przed zwarciem lub przegrzaniem przewodów i dlatego nie może być jedynym elementem pomiędzy źródłem zasilania a jego odbiornikiem. Każda różnicówka powinna być uzupełniona dodatkowym wyłącznikiem nadprądowym.
W obwodach jednofazowych podpinamy przewód fazowy (brązowy) oraz neutralny (niebieski), zaś przewód ochronny łączymy za pomocą np. listwy zaciskowej. Przewód fazowy na wyjściu różnicówki powinien być podpięty do wyłącznika nadprądowego, natomiast neutralny możemy podpiąć bezpośrednio do instalacji.
W przypadku instalacji trójfazowych do wejścia wyłącznika różnicowoprądowego podłączamy wszystkie trzy fazy oraz przewód neutralny. Na wyjściu do każdej z faz podłączony jest wyłącznik nadprądowy. Natomiast przewód neutralny na wyjściu łączymy do listwy zbiorczej.
Różnicówka – test poprawności działania
Zainstalowany wyłącznik różnicowoprądowy powinien być okresowo poddawany kontroli potwierdzającej jego sprawność. Regularne testy zwiększają pewność działania urządzenia, a tym samym bezpieczeństwo instalacji elektrycznej oraz ochronę przeciwporażeniową pracowników.
Kompleksową procedurę testową wyłącznika można podzielić na kilka etapów:
- Oględziny wizualne – sprawdzenie stanu obudowy pod kątem pęknięć, uszkodzeń oraz śladów nadpaleń lub odbarwień – wskazujących, że różnicówka mogła ulec przegrzaniu. Należy się również upewnić, że wszystkie oznaczenia (np. typ, prąd, napięcie znamionowe) są czytelne.
- Użycie przycisku TEST – po jego naciśnięciu symulowany jest upływ prądu z obwodu roboczego. Znajdująca się obok dźwignia „on/off” (służąca do rozłączenia obwodu) powinna automatycznie przyjąć pozycję „off”. Jeżeli tak się nie dzieje, może to oznaczać awarię wyłącznika i konieczność jego wymiany. Nieprawidłowa reakcja urządzenia bywa też spowodowana brakiem napięcia w obwodzie, nieprawidłowym podłączeniem przewodów fazowych, a także zużyciem lub zanieczyszczeniem styków. Po udanym teście należy ponownie podłączyć różnicówkę, zmieniając pozycję dźwigni na „on”.
- Kontrola testerem RCD – w przypadku instalacji przemysłowych oraz obiektów o podwyższonych wymaganiach bezpieczeństwa wyłącznik różnicowoprądowy powinien być kontrolowany z wykorzystaniem dedykowanego miernika cyfrowego. Jego użycie pozwala ocenić szczegółowe parametry, takie jak: prąd zadziałania (rozłączanie obwodu przy wartości prądu upływowego ≤ wartości znamionowej), czas zadziałania (od chwili pojawienia się prądu upływowego do momentu rozłączenia obwodu) oraz selektywność (prawidłową kolejność wyzwalania w instalacjach z kilkoma różnicówkami
Zgodnie z normą PN-HD 60364 każda różnicówka powinna być kontrolowana co 3-6 miesięcy w przypadku urządzeń zainstalowanych w „czystym” otoczeniu lub co 1 miesiąc w przypadku środowiska „brudnego” (wilgoć, zapylenie) i lokalizacji narażonych na zwiększone zagrożenie wyładowaniami atmosferycznymi.
Wyłączniki różnicowoprądowe w ofercie Polimet
Firma Polimet, jako wiodący dystrybutor artykułów elektrotechnicznych, oferuje pełną gamę wyłączników różnicowoprądowych do zastosowań domowych, komercyjnych i przemysłowych. Są to niezawodne, trwałe i zgodne z obowiązującymi normami wyroby renomowanych producentów, takich jak: ABB czy Schneider Electric.

